找回密码
 注册
楼主: qjshr1

我是个大四学生 老师让我设计个砂光机 哪位好心人给点资料啊

[复制链接]
 楼主| 发表于 2007-4-10 11:01:08 | 显示全部楼层
原帖由 严丝合缝 于 2007-4-9 23:47 发表
$ T- n  L0 W% e* f; P
( J3 w8 S8 {/ y) Q- i' m$ T) ~7 [( I- W/ o* I0 m. k
你有泡论坛等答案的时间可以通过 GOOGLE BAIDU找到无数个沙光机了。。。。。
3 n9 t, @- b# V8 e9 ^7 W. j4 ~
  我不是上来就求助你们    我已经在GOOGLE BAIDU上找了好久了   找的都是要卖的产品 2 u* j( b0 I( y: }
而且差不多都和机床那么大
回复 支持 反对

使用道具 举报

发表于 2007-4-10 16:55:49 | 显示全部楼层
原帖由 qjshr1 于 2007-4-10 11:01 发表% u3 \* {3 D( j7 I

; a7 Y6 w* A# O0 R8 `8 }  我不是上来就求助你们    我已经在GOOGLE BAIDU上找了好久了   找的都是要卖的产品
8 Q$ J% n" _: j. U5 k而且差不多都和机床那么大

6 Z. m6 w! l; N, }, v% R) l7 j/ ^, D: n! M5 ]
说明你查找资料的能力太差了.
回复 支持 反对

使用道具 举报

头像被屏蔽
发表于 2007-4-10 17:06:57 | 显示全部楼层
原帖由 qjshr1 于 2007-4-10 11:01 发表* X  a+ O# Y( _4 Q# e+ s% e

0 G. A$ B& _, r: h6 v2 b1 ~) n. c  我不是上来就求助你们    我已经在GOOGLE BAIDU上找了好久了   找的都是要卖的产品 ) @7 v& ?0 y: H9 k6 o1 _1 ?
而且差不多都和机床那么大
& y, i) e! `3 ?: b
% }4 a+ M- f+ q$ J# [2 f
帮你找到了,不会告诉我你看不明白吧
回复 支持 反对

使用道具 举报

发表于 2007-4-10 17:07:39 | 显示全部楼层

随便找了一下. 就有好多

我来教你如何找. $ m% l# _, V0 v8 s7 F( F
1. 打开电脑
8 ?/ k/ Y4 x* b$ L+ G. A1 P2. 连接上网6 V8 T9 _- A/ S7 M8 a- a. b* M
3. 打开IE, 或者netscape 或者myie 或者firefox 这些
+ I9 N+ b8 e! u4. 地址栏输入:  http://www.google.com
6 R1 x" V/ D4 ?. l, t& E& _. K5. 在查询关键字 栏写入 :  The schematic of sander  6 E- M. H6 b- L7 K5 ]
6. 回车8 m0 [/ A$ w) W( N# U) `

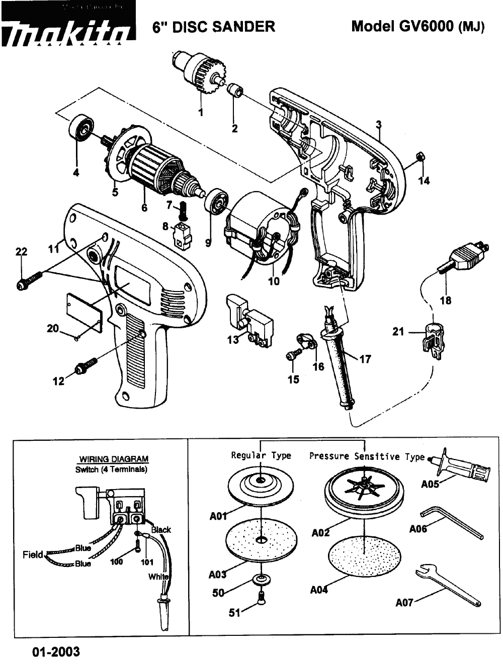
# }% V3 M! o& ~8 x下面为了给你找工作省点时间, 把前面几个的图示给你直接方这里. 祝你找到称心的工作. 有一个不是沙带机.
81466i.gif
GV6000pg1.gif
回复 支持 反对

使用道具 举报

发表于 2007-4-10 18:36:10 | 显示全部楼层
1
lbs1105ve_set.jpg
回复 支持 反对

使用道具 举报

发表于 2007-4-10 18:38:08 | 显示全部楼层
不知道是不是这种,真的不流行了,现在有很多替代的好工具!
回复 支持 反对

使用道具 举报

发表于 2007-4-10 22:48:04 | 显示全部楼层

回复 #21 toki 的帖子

我当初就觉得是Toki这个,所以才说不知道如何形容的.因为真的不常见的.
回复 支持 反对

使用道具 举报

发表于 2007-4-10 23:06:37 | 显示全部楼层
过时了?所有的类型打磨工具我都有,超过30台,能完全替代砂带机的是哪种?图中是电动和小型气动套装(包括曲线锯、角磨机、气凿、气钻等)
微型气动组合工具2.jpg
小型砂带机.jpg
回复 支持 反对

使用道具 举报

发表于 2007-4-10 23:22:28 | 显示全部楼层
这么多!!!长见识!
+ W. G, f4 k2 ]6 w8 g) u5 A5 ]* g9 \/ f3 J! j3 B# @
修汽车最好了!
回复 支持 反对

使用道具 举报

发表于 2007-4-11 00:26:41 | 显示全部楼层
原帖由 百多邦 于 2007-4-10 23:06 发表
' Y$ n5 }4 e: B& @5 T4 ~" T; ?' e过时了?所有的类型打磨工具我都有,超过30台,能完全替代砂带机的是哪种?图中是电动和小型气动套装(包括曲线锯、角磨机、气凿、气钻等)

/ A) A; U: Q$ K/ c" F
8 |8 C* o  y/ E; x) v4 q哇,百老大真有货啊,什么东西都能拿出来实物的。 啥时候开个展览给大家秀秀啊~~~~ :smile
回复 支持 反对

使用道具 举报

发表于 2007-4-11 04:28:50 | 显示全部楼层
原帖由 百多邦 于 4/10/2007 10:06 发表
4 W3 i/ y( {+ N1 W过时了?所有的类型打磨工具我都有,超过30台,能完全替代砂带机的是哪种?图中是电动和小型气动套装(包括曲线锯、角磨机、气凿、气钻等)

2 m: @: D/ I$ o/ c  K9 h0 U
# ~! s# J# M2 U/ B9 G百兄,我现在越来越好奇你的职业了。^_^!
回复 支持 反对

使用道具 举报

 楼主| 发表于 2007-4-11 17:38:01 | 显示全部楼层
谢谢  各位啊   努力ing!!!!
回复 支持 反对

使用道具 举报

 楼主| 发表于 2007-4-11 17:41:16 | 显示全部楼层
原帖由 kennyxue 于 2007-4-10 17:07 发表
4 ?, ^! j* R( i7 S% R5 B  T9 w我来教你如何找. * B& u. [; n2 C# e! e0 A9 f
1. 打开电脑
" p% G, S: w3 s9 f( v: A: N. g, c2. 连接上网2 W* x+ i; {% [- `  w1 v- m5 u
3. 打开IE, 或者netscape 或者myie 或者firefox 这些
+ j( Y3 k1 u/ n( [2 J8 @# H4. 地址栏输入:  http://www.google.com
. y+ C" W/ U/ Z) z  v9 e; U2 z5. 在查询关键字 栏写入 :  The schematic of sander  
0 @* g; `: W/ g5 R6. 回车+ a. r" K2 Z: `) ]% a/ b
...
$ d4 Z: C6 G3 \
谢谢了   可能我真的不会找   我输入的都是 砂光机  砂光机资料一类的  没试过英文的  ! C: ^6 \$ b$ u- T9 ?  B4 V+ G
我也试试
回复 支持 反对

使用道具 举报

发表于 2007-4-11 23:38:38 | 显示全部楼层

回复 #23 百多邦 的帖子

上面那个好像淘宝上的也....我正要下手发现没了.不是您买的吧
回复 支持 反对

使用道具 举报

发表于 2007-4-12 08:25:24 | 显示全部楼层
原帖由 peleepei 于 2007-4-11 23:38 发表! ~% G4 `; J: Y
上面那个好像淘宝上的也....我正要下手发现没了.不是您买的吧

- k, C7 _6 f5 C. \
+ ?" F# u$ z, B& F4 ^- p我不是在淘宝上买的,电动的在欧倍德买的,气动是朋友帮搞得,好几年了。
回复 支持 反对

使用道具 举报

您需要登录后才可以回帖 登录 | 注册

本版积分规则


快速回复 返回顶部 返回列表